Hur får man enklast ljusstyrning med DALI? Eller DMX?

28 jul 2018 09:55 #1 av Eric Lander
Jag har införskaffat en DMX-decoder DMX512 tror jag den heter, DALI är väl den mer kända av dem men de har samma funktioner ungefär, DMX-decodern har 32 kanaler och jag tog mig nog lite vatten över huvudet där.
Ska man anlita en elektriker eller hur svårt är det att själv få ett snyggt ljus spektakel med den? Eller får man fråga sin belysnings-leverantör kanske?

Behöver även en dialuxberäkning kan man få det gratis någonstans. Har ju också velat ha en LCC-kalkyl men inte lyckats fylla i värdena på rätt sätt.
Bilagor:

Be Logga in eller Skapa ett konto ansluta till konversationen.

28 jul 2018 09:57 #2 av Eric Lander
Kopplingsschemat är lite fattigt men det ska vara de viktigaste kontakterna men bara för att få igång den gissar jag. :P

Be Logga in eller Skapa ett konto ansluta till konversationen.

28 jul 2018 10:05 #3 av Eric Lander

Eric Lander skrev: Jag har införskaffat en DMX-decoder DMX512 tror jag den heter, DALI är väl den mer kända av dem men de har samma funktioner ungefär, DMX-decodern har 32 kanaler och jag tog mig nog lite vatten över huvudet där.
Ska man anlita en elektriker eller hur svårt är det att själv få ett snyggt ljus spektakel med den? Eller får man fråga sin belysnings-leverantör kanske?

Behöver även en dialuxberäkning kan man få det gratis någonstans. Har ju också velat ha en LCC-kalkyl men inte lyckats fylla i värdena på rätt sätt.


Hittade en bild på nätet, det är exakt den apparaten jag har. Är det någon som kan ge några bra tips?

Annars så kanske den är upp för försäljning om jag inte får rätsida på detta.

Beställde den från ett stort företag i Kina som verkar mycket seriöst, men de sa aldrig att jag behövde en halv skottkärra med andra produkter för att få igång den, trodde det skulle gå att gå igång en lampa så länge i varje fall men men, och kablage skulle kosta runt 8.000 kr kan det verkligen stämma? Det måste vara för alla kanaler då? Eller?
Och varje LED eller OLED som vi pratade om kostade kring tusenlappen, och det var inga stora ljus Oleds så man behöver många och det blir ju bortemot hundra tusen eller nåt.

Någon som har testat och hur kommer man undan billigare?
Bilagor:

Be Logga in eller Skapa ett konto ansluta till konversationen.

28 jul 2018 10:07 #4 av Eric Lander
Det ska vara en super apparat men den var mer komplicerad än vad jag trodde... Och dyr!

Be Logga in eller Skapa ett konto ansluta till konversationen.

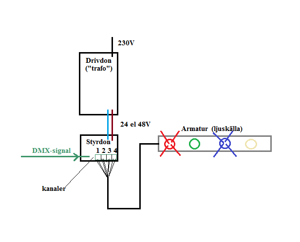
17 aug 2018 09:38 #5 av Carl Johansson
Hej Eric!

Det beror lite grann på vad du tänkt att sammankoppla ljuskällorna.
Skall du bara få lite ljuseffekt kan du göra det ganska enkelt med DMX.
Det du behöver är:
Någon typ av DMX-signalgenerator (kan vara tidsvarierande eller statisk)
Ett drivdon för att leverera kraft till styrdonet (effekt måste vara större än ljuskällans maxeffekt)
Ett styrdon som översätter DMX-signalen till att leverera rätt kraft per kanal.
En ljuskälla som drivs på den kraft som styrdonet förmedlar (kanske 500 mA om det är spotar eller 24 V om
det är strip)

Vill du ha ljusberäkningar så kan du ladda ner DIALUX gratis, men du behöver även s.k. ljusfiler från tillverkaren av ljuskällan, och de kan vara lite svårare att få tag på. En seriös återförsäljare kan ibland bistå med sådant.

I bilden så styrs en RGBW-armatur med DMX (och för tillfället ger DMX-signalen kraft till kanal 1 och 3)

Mvh Carl!
Bilagor:
Följande användare sa tack: Eric Lander

Be Logga in eller Skapa ett konto ansluta till konversationen.

20 okt 2018 05:44 #6 av Leif H
Hmm. Ja du har köpt en decoder med 32 kanaler. 8st rgbw kanaler. Vad hade du tänkt använda decodern till??
Enklast att styra den med är en raspberry pi samt dmx interface till den.

Be Logga in eller Skapa ett konto ansluta till konversationen.

Sidan laddades på: 0.057 sekunder

Senaste foruminlägg